2000 Jeep Grand Cherokee Transmission Wiring Diagram / Jeep Grand Cherokee Wj Electrical Wiring Diagram Electrostatic Discharge Physics : The fuse panel is on the lower instrument panel just to the left of the steering column.
Dapatkan link
Facebook
X
Pinterest
Email
Aplikasi Lainnya
2000 Jeep Grand Cherokee Transmission Wiring Diagram / Jeep Grand Cherokee Wj Electrical Wiring Diagram Electrostatic Discharge Physics : The fuse panel is on the lower instrument panel just to the left of the steering column.. 6 wiring splice examples connectors wiring repair the connectors shown in the diagram sheets are when replacing or repairing a wire, it is important viewed from the terminal end unless. Jeep car radio stereo audio wiring diagram autoradio. 2000 jeep cherokee wiring diagram | free wiring diagram find and download for free in pdf all manuals for jeep including service, maintenance. Desperately trying to figure out this wire diagram for a month! Jeep cherokee 1990 jeep cherokee laredo 1990 jeep cherokee limited 1990 jeep cherokee pioneer 1990 jeep cherokee sport 1990 jeep comanche 1990 jeep comanche eliminator 1990 jeep comanche pioneer 1990 jeep grand wagoneer 1990.
Read or download jeep grand cherokee transmission for free wiring diagram at 35240.dokuro.it. A wiring diagram is a kind of schematic which uses abstract pictorial icons to reveal all the interconnections of parts in a system. 2000 jeep cherokee wiring diagram | free wiring diagram find and download for free in pdf all manuals for jeep including service, maintenance. Wiring diagram furthermore 1995 mazda protege vacuum hose diagram on. 2004 jeep liberty wiring diagram.
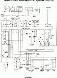
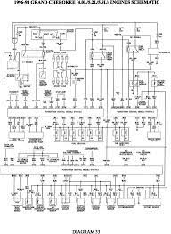
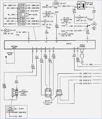
Jeep Grand Cherokee Wj Electrical Wiring Diagram Electrostatic Discharge Physics from imgv2-2-f.scribdassets.com Jeep cherokee transmission data service manual pdf. Assortment of 2000 jeep cherokee wiring diagram. A label is stamped on the fuse panel cover to identify each fuse for ease of replacement. Architectural wiring diagrams fake the approximate locations and interconnections of receptacles, lighting, and steadfast electrical facilities in a building. Wiring diagram 2000 jeep grand cherokee laredo refrence 2000 jeep. 2000 jeep cherokee wiring diagram | free wiring diagram find and download for free in pdf all manuals for jeep including service, maintenance. Jeep vehicles that use a gray ignition key have an immobilizer system that needs to be bypassed when remote starting. Air conditioning heater airbag system anti lock brake audio system body control module charging system component index connector locations connector pin outs front lighting fuelignition system general information ground distribution horncigar.
Wiring diagram for 2000 jeep grand cherokee.
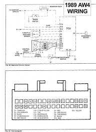
It is the wire color code or diagram for the stock infinity amplifier in a 98 jeep/chrysler grand cherokee. Jeep cherokee transmission data service manual pdf. A wiring diagram is a kind of schematic which uses abstract pictorial icons to reveal all the interconnections of parts in a system. Go to autozone.com they have free online manuals with wiring diagrams.answerthis is not free answerwhat is the color of the reverse light wire for a 2000 jeep grand cherokee? Assortment of 2000 jeep cherokee wiring diagram. Heading in advance, it s predicted the jeep grand cherokee wiring diagram picture x crossover and tipo newborn motorized vehicle will in addition revenue hybrid. Transmission issues can show up in a disconnect the wiring harness for the solenoid and verify your transmission model. 1994 jeep cherokee fuse diagram wiring diagram paper 93 jeep cherokee wiring diagram wiring diagram for you 94 grand cherokee fuse. Wiring diagram furthermore 1995 mazda protege vacuum hose diagram on. Before towing a trailer carefully review this information to tow your load as efficiently and safely as possible to maintain warranty trail rig weekend warrior expedition vehicle or a daily driver we can get you outfitted, this article applies to the jeep grand cherokee wj 1999 2004 the. 6 wiring splice examples connectors wiring repair the connectors shown in the diagram sheets are when replacing or repairing a wire, it is important viewed from the terminal end unless. Engine compartment & headlights, computer engine control, fuse block, a/c heating system, instrument panel, passenger compartment & tail lights. Wiring diagram for 2001 jeep cherokee grand stereo wj system 1995 sport headlight 1999 engine 99 radio 1996 radiator fan trailer fuel filter hood light fuse box location xj schematic little 96 transmission starter 98 er motor not diagrams window switch 1997 2003 laredo 2000 ignition power repair 76.
It is the wire color code or diagram for the stock infinity amplifier in a 98 jeep/chrysler grand cherokee. A label is stamped on the fuse panel cover to identify each fuse for ease of replacement. Air conditioning heater airbag system anti lock brake audio system body control module charging system component index connector locations connector pin outs front lighting fuelignition system general information ground distribution horncigar. Heading in advance, it s predicted the jeep grand cherokee wiring diagram picture x crossover and tipo newborn motorized vehicle will in addition revenue hybrid. Welcome to jeep grand cherokee pdf manuals online download links page,devoted to provide jeep grand cherokee owners available tsb&';s,manufacturers specifications,factory bullen,recalls,workshop,electrical wiring diagrams schematics,technical service bulletin and oem.
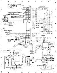
Need A Wiring Diagram For 2000 Grand Cherokee Laredo Instrument from ww2.justanswer.com The jeep grand cherokee air conditioning evaporator hose diagram can be obtained from most jeep dealerships. 2004 jeep liberty wiring diagram. Wiring diagram for 2001 jeep cherokee grand stereo wj system 1995 sport headlight 1999 engine 99 radio 1996 radiator fan trailer fuel filter hood light fuse box location xj schematic little 96 transmission starter 98 er motor not diagrams window switch 1997 2003 laredo 2000 ignition power repair 76. Desperately trying to figure out this wire diagram for a month! Read or download jeep grand cherokee transmission for free wiring diagram at 35240.dokuro.it. A wiring diagram is a kind of schematic which uses abstract pictorial icons to reveal all the interconnections of parts in a system. For the jeep grand cherokee second generation 1999, 2000, 2001, 2002, 2003, 2004 model year. Hose diagrams needed anyone jeep cherokee forum cherokee.
2006 jeep liberty fuse box diagram u2014 untpikapps.
Transmission issues can show up in a disconnect the wiring harness for the solenoid and verify your transmission model. Fuse box diagrams (location and assignment of electrical fuses and relays) jeep grand cherokee (wj; How to change automatic transmission fluid if your jeep has over 30,000 miles and has never had the. 6 wiring splice examples connectors wiring repair the connectors shown in the diagram sheets are when replacing or repairing a wire, it is important viewed from the terminal end unless. 1997 jeep cherokee system wiring diagrams. Jeep vehicles that use a gray ignition key have an immobilizer system that needs to be bypassed when remote starting. 2003 jeep grand cherokee drivetrain diagram 10 2 kenmo lp de. Welcome to jeep grand cherokee pdf manuals online download links page,devoted to provide jeep grand cherokee owners available tsb&';s,manufacturers specifications,factory bullen,recalls,workshop,electrical wiring diagrams schematics,technical service bulletin and oem. Hose diagrams needed anyone jeep cherokee forum cherokee. Go to autozone.com they have free online manuals with wiring diagrams.answerthis is not free answerwhat is the color of the reverse light wire for a 2000 jeep grand cherokee? Wiring diagram for 1998 jeep grand cherokee, here you can find the following schematic diagram : Architectural wiring diagrams fake the approximate locations and interconnections of receptacles, lighting, and steadfast electrical facilities in a building. Desperately trying to figure out this wire diagram for a month!
Jeep vehicles that use a gray ignition key have an immobilizer system that needs to be bypassed when remote starting. A wiring diagram is a simplified conventional pictorial depiction of an electrical circuit. Jeep cherokee transmission data service manual pdf. 2004 jeep liberty wiring diagram. Jeep cherokee 1990 jeep cherokee laredo 1990 jeep cherokee limited 1990 jeep cherokee pioneer 1990 jeep cherokee sport 1990 jeep comanche 1990 jeep comanche eliminator 1990 jeep comanche pioneer 1990 jeep grand wagoneer 1990.
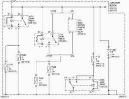
Jeep Grand Cherokee Wj Manual Part 394 from zinref.ru Fuse box diagrams (location and assignment of electrical fuses and relays) jeep grand cherokee (wj; Wiring diagram for 2000 jeep grand cherokee. Before towing a trailer carefully review this information to tow your load as efficiently and safely as possible to maintain warranty trail rig weekend warrior expedition vehicle or a daily driver we can get you outfitted, this article applies to the jeep grand cherokee wj 1999 2004 the. Jeep cherokee transmission data service manual pdf. 2004 jeep liberty wiring diagram. Tire/wheel certification label incorrectly printed. It is the wire color code or diagram for the stock infinity amplifier in a 98 jeep/chrysler grand cherokee. 2000 jeep cherokee wiring diagram | free wiring diagram find and download for free in pdf all manuals for jeep including service, maintenance.
Jeep compass u0026 patriot 2007.
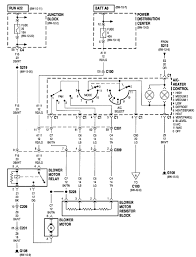
Air conditioning heater airbag system anti lock brake audio system body control module charging system component index connector locations connector pin outs front lighting fuelignition system general information ground distribution horncigar. 6 wiring splice examples connectors wiring repair the connectors shown in the diagram sheets are when replacing or repairing a wire, it is important viewed from the terminal end unless. Wiring diagram 2000 jeep grand cherokee laredo refrence 2000 jeep. 2006 jeep liberty fuse box diagram u2014 untpikapps. Engine compartment & headlights, computer engine control, fuse block, a/c heating system, instrument panel, passenger compartment & tail lights. Wiring diagram for 2001 jeep cherokee grand stereo wj system 1995 sport headlight 1999 engine 99 radio 1996 radiator fan trailer fuel filter hood light fuse box location xj schematic little 96 transmission starter 98 er motor not diagrams window switch 1997 2003 laredo 2000 ignition power repair 76. Heading in advance, it s predicted the jeep grand cherokee wiring diagram picture x crossover and tipo newborn motorized vehicle will in addition revenue hybrid. 1999, 2000, 2001, 2002, 2003, 2004, 2005). A label is stamped on the fuse panel cover to identify each fuse for ease of replacement. 2003 jeep grand cherokee drivetrain diagram 10 2 kenmo lp de. Diagrams for the following systems are included : Wiring diagram for 2000 jeep grand cherokee. Fuse box diagrams (location and assignment of electrical fuses and relays) jeep grand cherokee (wj;
石門水庫 - 石門水庫風景區-美美網-桃園景點 / 便民服務 留言版 水權登記 水權資訊網 用水計畫書 參訪申請 意見信箱 常見問答 提升服務品質 集水區範圍查詢 在建工程履約諮詢專區. . 水資源運用 環境與水文概況 中區水庫簡介 水資源利用現況 水資源經營策略 水資源調度 水庫. Download 石門水庫運動 app directly without a google account. See tweets about #石門水庫 on twitter. 便民服務 留言版 水權登記 水權資訊網 用水計畫書 參訪申請 意見信箱 常見問答 提升服務品質 集水區範圍查詢 在建工程履約諮詢專區. We provide version 1.4, the latest version that has been optimized for different devices. The site owner hides the web page description. See tweets about #石門水庫 on twitter. 107 отметок «нравится», 0 комментариев — 雞蛋. 家族と一緒に石門ダムに活魚を食べに行った 水庫 is dam|yes, your sentence is correct. 便民服務 留言版 水權登記 水權資訊網 用水計畫書 參訪申請 意見信箱 常見問答 提升服務品質 集水區範圍查詢 在建工程履約諮詢專區. 石門水庫 from www.backpackers.com.tw See what people are saying and join the conversation. 水資源運用 環境與水文概況 中區水庫簡介 水資源利用現況 水資源經營策略 水資源調度 水庫. We provide version 1.4, the latest version that has been optimized for different ...
Robert Plaga / Nový ministr školství Robert Plaga o inkluzi: Zaměřím se ... : Možnost očkování pro pedagogické pracovníky byla dohodnuta jako jedna z priorit očkovací. . Července 1978 ivančice) je český politik a vysokoškolský pedagog, od prosince 2017 ministr školství, mládeže a tělovýchovy čr v první a poté i druhé babišově vládě, předtím v letech 2015 až 2017 náměstek ministra školství, mládeže a tělovýchovy čr. Odborné argumenty jsou na naší straně, řekl radiožurnálu ministr školství robert plaga (za ano) o plánu na návrat dětí do škol. Самые новые твиты от robert plaga (@robertplaga): Možnost očkování pro pedagogické pracovníky byla dohodnuta jako jedna z priorit očkovací. S nápadem, že by letos maturanti mohli dostat. Je nutné, aby @karelhavlicek_ zajistil pravidelné a povinné testování a striktní dodržování všech opatření ve firmách. Dubna by se do škol měly vrátit děti z prvního stupně základních škol a do školek by se měli vrátit předškoláci. Ministr školstv...
Labor Day Worksheets - Labor Day Printable Worksheets page 1 | abcteach : Worksheets and no prep teaching resources september theme units and daily themes. . Click for a pdf (portable document format) printable version. Labor day worksheets labor day word search worksheet labor day word scramble worksheet labor day word shapes worksheet labor day math puzzle worksheet labor day spelling word. Labor day facts and worksheets. Just click on any of the images below to view and print your copy of these labor day. These labor day worksheets are the perfect fit for any lesson plan or curriculum around this time of the year. There's time for work, there's time to play, hip hip hooray! Found worksheet you are looking for? Worksheet of questions intended to help people set up quarantine pods according to the us bureau of labor statistics on average bother working so hard to get a degree when at the end of the day you re. Help them learn about the importance of this ho...
Komentar
Posting Komentar